Autosport Technique Logo

Autosport Technique
Motorsport and Performance Car Driveline Specialists
   
     
  Home      About      Services     Contact  
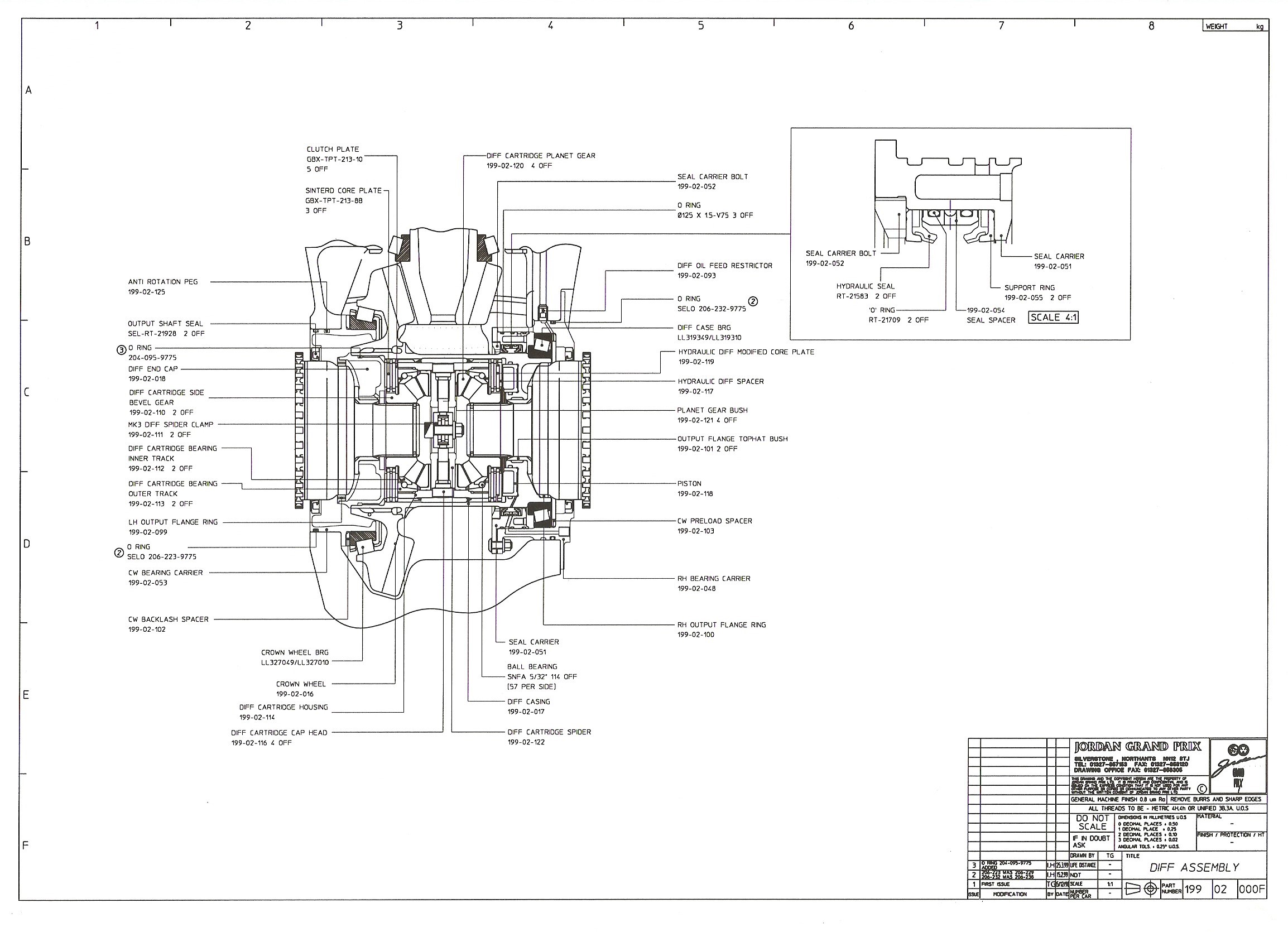
  Diff Assembly
Copyright 1999 Force India Formula One Team Limited.  Reproduced with permission.  All rights reserved.

The owner of Autosport Technique, Ian Mitchell, has worked in the motorsport industry for over 25 years and prior to that spent many years working with family in hill climbing, sprints and rallying.

Ian’s experience and technical knowledge has been gained from working in single seater categories including Formula 3, F3000 and with Formula 1 teams Jordan and Williams.
From working in international GT championships, taking in two Daytona 24hrs and two Le Mans 24hrs, to over 9 years involvement in V8 Supercars with Walkinshaw Racing/ Holden Racing Team, Ian has built a comprehensive motorsport skillset.

The ability to work professionally with attention to detail, whilst using methodical practices, are skills that have been finely tuned through this wealth of experience. These are essential when properly preparing mechanical components in race cars.
 
     
     
 
 
  This site and all contents are protected by copyright © Autosport Technique Pty Ltd and/or as attributed and may not be reproduced without permission.  All Rights reserved.